les travaux

D’une géométrie spécifique et disposés de manière symétrique, ces éléments seraient un atout pour la communauté.

1.modification des escaliers d’accès à l’est du bâtiment

Les quelques marches d’escalier isolées situées à l’est du bâtiment sont très peu utilisées par les passants. Seules deux ou trois personnes, attachées à l’administration du bâtiment ou à la Commune, empruntent ce chemin qui amène à l’arrière du collège. Deux modules en béton seraient construits de part et d’autre de l’escalier. Une main courante, installée au centre de la volée d’escaliers, compléterait cet espace.

2.mise en place de bancs en bétons préfabriqués autour des trois arbres de l’espace central

Les arbres se trouvant actuellement au centre de la cour sont munis de protections sommaires en bois. Ces dernières sont assemblées de manière à ce que personne ne puisse s’y asseoir ou accouder. Il est intéressant de constater qu’ils se situent à proximité des deux terrains de basketball et qu’ils pourraient être aménagés de telle sorte que les passants puissent s’y attarder un moment à l’ombre des feuillages. Que ce soit pour se reposer ou pour assister à une partie sur un des terrains, ces emplacements pourraient être entourés de bancs en béton. D’une géométrie spécifique et disposés de manière symétrique, ces éléments seraient un atout pour la communauté. Une estrade en béton, donnant face au bâtiment, servirait de banc au même titre que les éléments décrits précédemment mais serait également utilisée pour des événements organisés dans la cour. Ces aménagements urbains seraient profitables autant à la pratique du skate qu’au spectateur de basketball, qu’aux écoliers ou autres. Ils seraient dimensionnés de manière à ne pas être trop lourds afin de pouvoir être déplacés à l’aide d’engins de levage (petit camion grue) lors de manifestations.

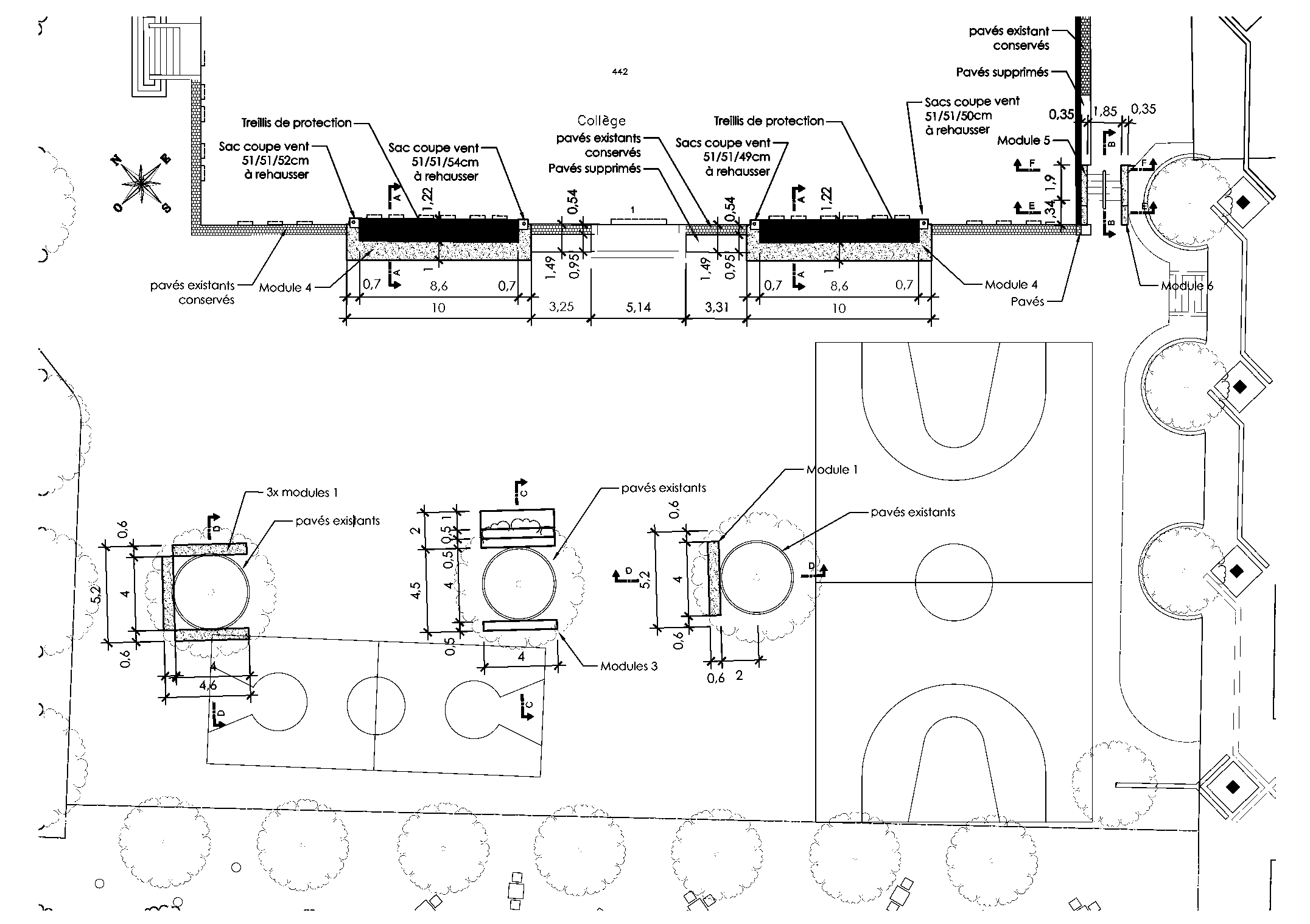
3.modification des deux bacs à fleurs intégrés à la façade du collège

Le bâtiment, ainsi que son escalier principal, étant protégés, ils ne peuvent être modifiés. Au droit de la façade, deux structures en escalier d’une dizaine de mètres constituées de pavés devraient être restructurées. En effet, elles ne sont que très peu utilisées étant donné leur manque de confort.Pour pallier à cet inconvénient, deux éléments de longueur identique et horizontaux ont été imaginés afin d’inviter les passants à s’asseoir et de créer une plateforme utile et pratique à l’usage du skate. Leur composition serait en béton pour le socle et en granit pour la couvertine.
<-retour
main page