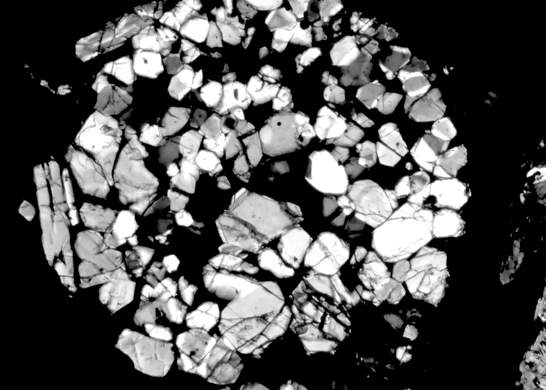
Météorite de Semarkona

Elles contiennent 20 % de fer métallique.
Elles sont constituées essentiellement de chondres, des petites billes de taille millimétrique composées de silicates et de métal, qu’on pense être les premiers solides du système solaire.
Ces roches très complexes permettent de comprendre les premières étapes de la formation des planètes à partir de la matière originelle de la nébuleuse solaire. La nébuleuse solaire (ou protosolaire, ou primordiale) est le nuage de gaz à partir duquel le Système solaire s’est formé.
Les minéraux silicatés contiennent tous du silicium et de l'oxygène - les deux éléments les plus abondants dans l'écorce terrestre.